设为首页
|
收藏本站
|
ENGLISH
网站首页
公司简介
新闻中心
产品中心
设备展示
人才招聘
销售网络
在线留言
联系我们
产品列表
摆线针轮减速机
前言
结构原理
特点
技术规格
选型说明
摆线针轮减速机外形及安装尺寸
维修(拆卸与装配)
配套轴承油封型号规格
特殊摆线针轮减速机
BJ系列减速机
BJS系列减速机
使用及润滑须知
化工反应罐机架
HG5-251-79标机架
DJ、LDJ型机架
JXLD型机架(74标)
DXJ型单支点机架
SJ、LSJ型双支点机架
TJQ型机架
HG5-251-69标机架(上海)及TJ型机架
机架样图
星型卸料器概况
型号规格说明
外形及安装尺寸
电动滚筒系列概况
概况
内装式电动滚筒技术数据
外装式电动滚筒技术数据
电动机-联轴器驱动支架
电动机-液力偶合器驱动支架
电动滚筒重量
选用方法
使用注意事项
立式螺旋锥齿轮减速机
型号规格说明
应用案例
清洗型旋转阀
产品概述
产品特点
罗茨风机系列
工作原理
各型号性能表
齿轮减速机系列
F系列平行轴斜齿轮减速机
K系列螺旋锥齿轮减速机
R系列斜齿轮硬齿面减速机
S系列斜齿轮-蜗轮蜗杆减速机
视窗展示
联系方式
地 址:常州市武进区鸣凰小庙集中工业园区2栋
联系人:王经理
手 机:15961496161 (微信同号)
电 话:0519-86480387
邮 箱:544853876@qq.com
网 址:www.czrccd.com www.czrccd.cn
产品展示
当前位置:
首页
>
产品展示
电动滚筒系列概况
>>
外装式电动滚筒技术数据
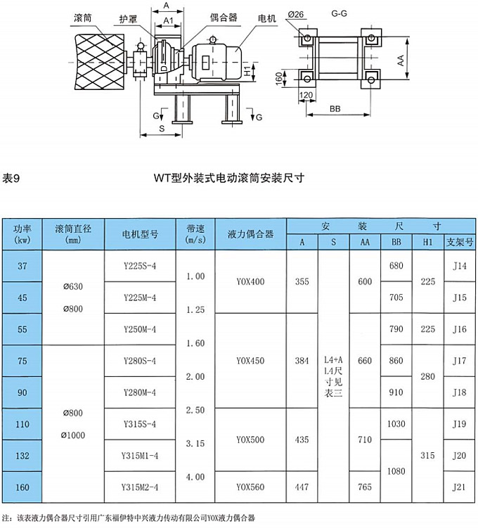
>> WT型外装式电动滚筒安装尺寸
点击数:70 【
打印此页
】 【
返回
】
|
网站首页
|
公司简介
|
新闻中心
|
产品中心
|
设备展示
|
人才招聘
|
销售网络
|
在线留言
|
联系我们
|
地址:常州市武进区鸣凰小庙集中工业园区2栋 联系人:15961496161 王经理 电话:0519-86480387 邮箱:544853876@qq.com
Copyright @ 常州市润昌传动机械厂 All Rights Reserved
苏ICP备2024097156号
免责声明
收缩
展开
QQ在线客服